토요타 렉서스 대부분 V6엔진 2GR-FE 노이즈필터 구조
엔진룸에는 점화코일, 인젝터 및 각종 솔레노이드 가 사용된다. 코일이 사용되는 모든 부품은 수백볼트에서 수만볼트까지 전압을 사용한다. 당연히 노이즈가 발생하게 되고 시동에 영향주는 CKP등 각종 센서 전기신호 에 간섭을 줄 수 있다. 토요타 렉서스 시에나 ES RX 아발론등 거의 모든 V6 토요타 렉서스 차량에서 사용되는 대표적인 엔진 2GR-FE 에는 뱅크1 과 뱅크2 에 노이즈필터 가 2개 있다. 그만큼 노이즈 제어가 중요하다는 것이다. 그냥 참고로 남긴다. 참고로 같은 2GR-FE 엔진이라도 노이즈 필터가 없는경우도 있으니 참고한다.

토요타 렉서스 대표적인 V6 엔진으로, 시에나, RX, ES, 아발론등 대부분의 V6에 사용되는 대표적인 엔진이다. 혼다의 J시리즈 와 같다고 할 수 있다. 고전압 부품에서 나오는 전기적 노이즈가 저 전압 민감한 센서류 등 신호에 간섭을 줄이기 위하여 노이즈 필터를 사용하고 있다.

토요타 렉서스 대표적인 V6 엔진으로, 시에나, RX, ES, 아발론등 대부분의 V6에 사용되는 노이즈 필터 이다. 뱅크1 & 뱅크2 에 각 각 하나씩 총 2개가 있다. 노이즈 필터는 모든 2GR-FE 엔진에 있는것은 아닌것 같다.
Drawing Credit: Toyota Motor Corporation

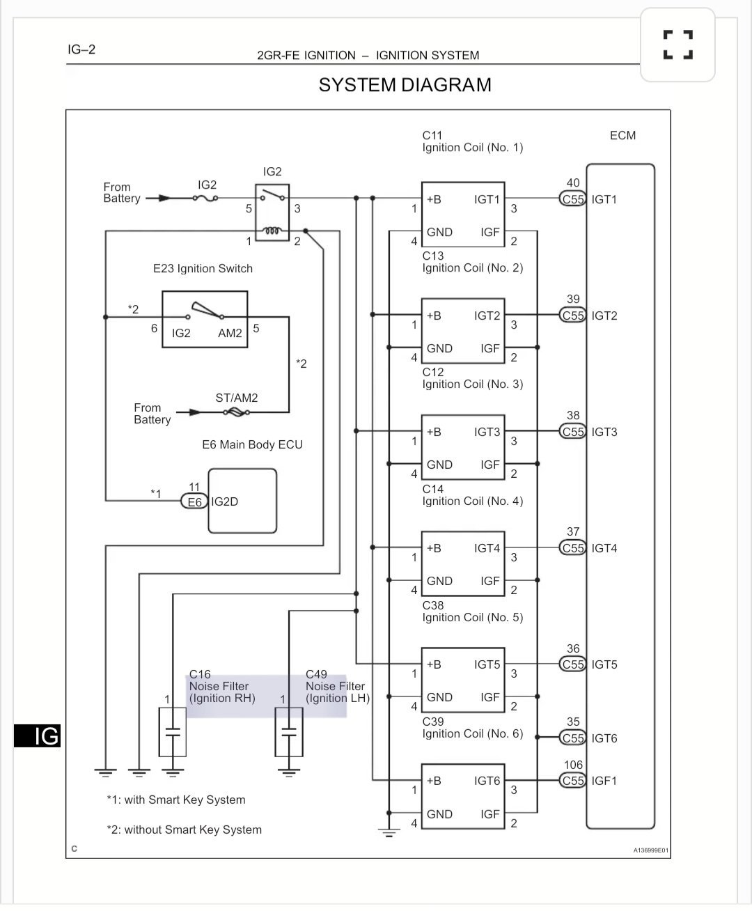
토요타 렉서스 대표적인 V6 엔진으로, 시에나, RX, ES, 아발론등 대부분의 V6에 사용되는 2GR-FE 점화시스템 회로도이다. 6개 점화코일이 2개의 노이즈 필터에 연결되어 있는것이 확인된다.
Drawing Credit: Toyota Motor Corporation



(1)Login for comments