P1634고장코드 혼다 F-CAN High & Low 파형분석 기록자료
혼다 F-CAN High & Low 파형분석 기록자료 이다. 고장코드는 P1634 이고 계기판에 IMA 가 표시되며 배터리 충전이 되지 않는 현상이다. 그러니 시동이 안 걸리고 주행중 시동이 꺼진다. 원인은 ECM와 MPI 간 통신 두절 (Lost Communication) 때문이다. 2012년 CRZ 및 어코드 등 혼다 아큐라 차량은 고속 캔 통신 (CAN BUS)로 F-CAN HIGH & LOW를 사용한다. 정비사 교육용 자료로 남긴다.

P1634고장코드 혼다 F-CAN High & Low 파형분석 기록자료 이다. 파형이 비 정상으로 F-CAN 통신에 에러가 있다는 의미이고 F-CAN 망에 연결되어 있는 모듈이나 배선등에 고장이 있다는 의미이다. CAN 통신 디코딩을 해서 확인하면 더 확실하게 캔 통신 파형상태 양 불 을 알 수 있다.

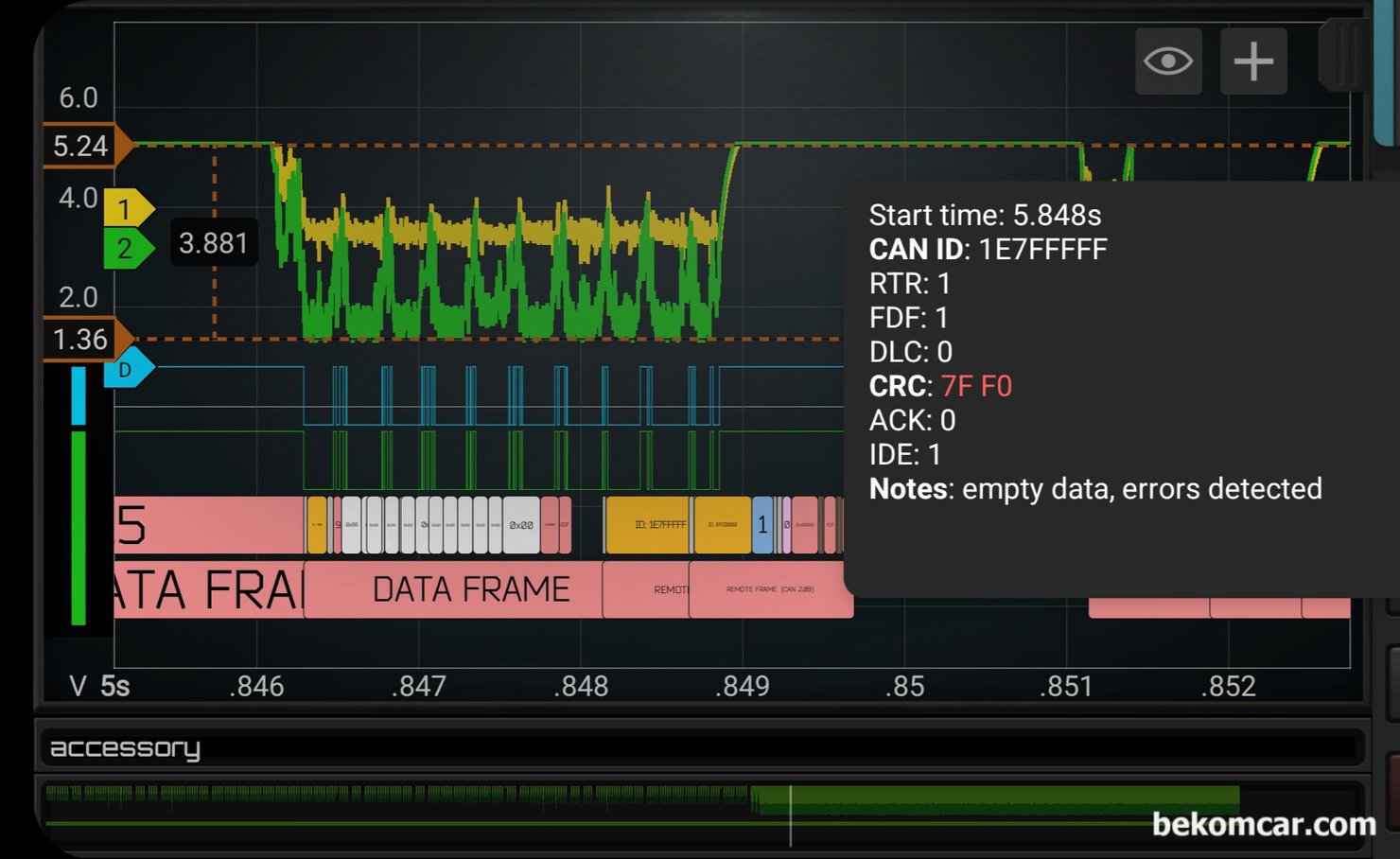
P1634고장코드 혼다 F-CAN High & Low 파형분석 기록자료 이다. 파형이 비 정상으로 F-CAN 통신에 에러가 있다는 의미 이다. 캔 통신 디코딩후 자세히 살펴보니 파형에 데이터가 없다. 그냥 빈 차량이 왔다 갔다 하는것이다.

P1634고장코드 혼다 F-CAN High & Low 파형분석 기록자료 이다. 파형이 비 정상으로 F-CAN 통신에 에러가 있다는 의미 이다. 캔 통신 파형의 여러 군데에서 파형을 분석한다. 지속적인 비 정상 고장상태 캔 통신 파형이 측정되고 있다.

P1634고장코드 혼다 F-CAN High & Low 파형분석 기록자료 이다. 파형이 비 정상으로 F-CAN 통신에 에러가 있다는 의미 이다. 또 다른 시점의 캔 통신 파형이다.

P1634고장코드 혼다 F-CAN High & Low 파형분석 기록자료 이다. 파형이 비 정상으로 F-CAN 통신에 에러가 있다는 의미 이다. 얼른 보면 정상인것 같지만 고장이 있는 상태이다.

혼다 CRZ F-CAN High & Low 파형자료 기록. 고장코드는 P1634임. 배터리 충전이 되지않아 시동꺼지고 계기판세 IMA 경고등 표시되고 주행불가 상태임.

혼다 CRZ F-CAN High & Low 파형자료 기록. 고장코드는 P1634임. 배터리 충전이 되지않아 시동꺼지고 계기판세 IMA 경고등 표시되고 주행불가 상태임.

혼다 CRZ F-CAN High & Low 파형자료 기록. 고장코드는 P1634임. 배터리 충전이 되지않아 시동꺼지고 계기판세 IMA 경고등 표시되고 주행불가 상태임.

혼다 CRZ F-CAN High & Low 파형자료 기록. 고장코드는 P1634임. 배터리 충전이 되지않아 시동꺼지고 계기판세 IMA 경고등 표시되고 주행불가 상태임.

혼다 CRZ F-CAN High & Low 파형자료 기록. 고장코드는 P1634임. 배터리 충전이 되지않아 시동꺼지고 계기판세 IMA 경고등 표시되고 주행불가 상태임.

혼다 CRZ F-CAN High & Low 파형자료 기록. 고장코드는 P1634임. 배터리 충전이 되지않아 시동꺼지고 계기판세 IMA 경고등 표시되고 주행불가 상태임.

혼다 CRZ F-CAN High & Low 파형자료 기록. 고장코드는 P1634임. 배터리 충전이 되지않아 시동꺼지고 계기판세 IMA 경고등 표시되고 주행불가 상태임.

혼다 CRZ F-CAN High & Low 파형자료 기록. 고장코드는 P1634임. 배터리 충전이 되지않아 시동꺼지고 계기판세 IMA 경고등 표시되고 주행불가 상태임.

혼다 CRZ F-CAN High & Low 파형자료 기록. 고장코드는 P1634임. 배터리 충전이 되지않아 시동꺼지고 계기판세 IMA 경고등 표시되고 주행불가 상태임.

혼다 CRZ F-CAN High & Low 파형자료 기록. 고장코드는 P1634임. 배터리 충전이 되지않아 시동꺼지고 계기판세 IMA 경고등 표시되고 주행불가 상태임.

혼다 CRZ F-CAN High & Low 파형자료 기록. 고장코드는 P1634임. 배터리 충전이 되지않아 시동꺼지고 계기판세 IMA 경고등 표시되고 주행불가 상태임.

혼다 CRZ F-CAN High & Low 파형자료 기록. 고장코드는 P1634임. 배터리 충전이 되지않아 시동꺼지고 계기판세 IMA 경고등 표시되고 주행불가 상태임.

혼다 CRZ F-CAN High & Low 파형자료 기록. 고장코드는 P1634임. 배터리 충전이 되지않아 시동꺼지고 계기판세 IMA 경고등 표시되고 주행불가 상태임.

혼다 CRZ F-CAN High & Low 파형자료 기록. 고장코드는 P1634임. 배터리 충전이 되지않아 시동꺼지고 계기판세 IMA 경고등 표시되고 주행불가 상태임.



(1)로그인후 댓글하기